

IRB 1410-5/1.44机器人手腕负载5kg,上臂提供18kg附加负载,可搭载各种工艺设备。卓越的控制水平和路径精度确保了出色的工作质量。
IRB 1410-5/1.44机器人的过程速度和定位均可调整,能达到最佳的优异精度,次品率极低,甚至达到零。
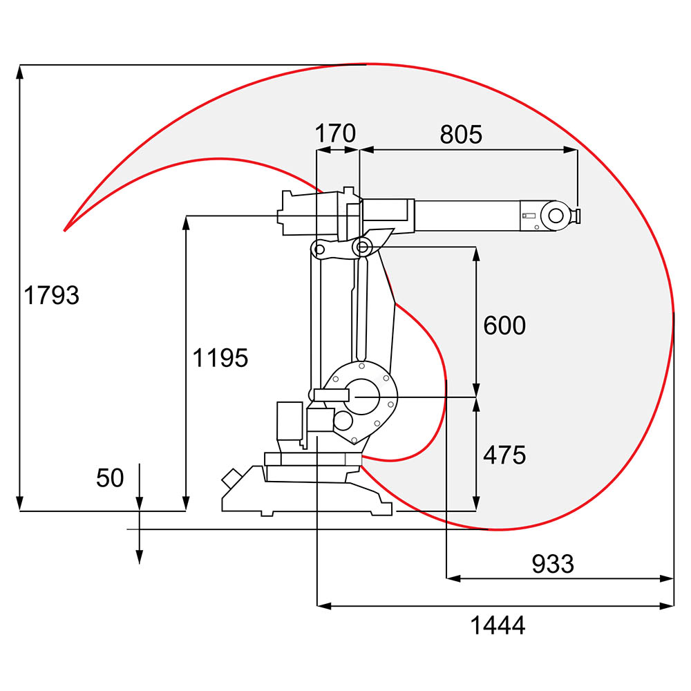
IRB 1410-5/1.44机器人以其坚固可靠的结构而著称,而由此带来的其它优势是噪音水平低、例行维护间隔时间长、使用寿命长。此外,IRB 1410的工作范围大、工作范围广、结构紧凑、手腕极为纤细,即使在条件苛刻、限制颇多的场所,仍能实现高性能操作。
IRB 1410-5/1.44机器人专为弧焊而优化
IRB 1410-5/1.44机器人采用优化设计,送丝机走线安装孔,为机械臂搭载工艺设备提供便利。标准IRC5机器人控制器内置各项人性化弧焊功能,可通过专利的编程操作手持终端FlexPendant示教器进行操控。